Club Sun Roller
Bienvenido(a),
Visitante
. Por favor,
ingresa
o
regístrate
. ¿Perdiste tu
email de activación
?
1 Hora
1 Día
1 Semana
1 Mes
Siempre
Ingresar con nombre de usuario, contraseña y duración de la sesión
Noticias:
Para acceder al 100% del foro, es necesario tener al menos 100 mensajes.
Gracias.
Inicio
Foro
Ayuda
Buscar
Contact
Ingresar
Registrarse
Club Sun Roller
»
Caravanas Sun Roller
»
Tutoriales, bricos y accesorios.
»
Proyecto: Batería Para Caravana (¿el Modelo Ideal Y Definitivo?)
Registro Club Sun Roller
« anterior
próximo »
Imprimir
Páginas:
1
2
[
3
]
Ir Abajo
Autor
Tema: Proyecto: Batería Para Caravana (¿el Modelo Ideal Y Definitivo?) (Leído 29485 veces)
maximo
Activos
Mensajes: 4161
Karma: +3/-0
Sexo:
Re: Proyecto: Batería Para Caravana (¿el Modelo Ideal Y Definitivo?)
«
Respuesta #30 en:
05-Abril-2011, 18:41:03 »
en tiendas de repuestos de material electrico del automovil por ejemplo, aplicaciones electricas, ats, esta es una tienda donde venden material de carros, ruedas yokey, etc esta ultima tiene la principal en madrid
En línea
CITROEN GRANDC4 PICASSO 136CV TANGO 495 LU
"ME LA PELA TODO"
Lagarto Xixo
Lagarto lagarto
Administrator
Mensajes: 5385
Country:
Karma: +24/-1
Jose - Valencia Portofino_495 CP
Re: Proyecto: Batería Para Caravana (¿el Modelo Ideal Y Definitivo?)
«
Respuesta #31 en:
05-Abril-2011, 19:05:28 »
A mí no me gusta la idea de tener que enchufar más cosas.
http://kia-ceed.sgpetch.co.uk/pages/accessories/detail/model=39/category=touring/accessory=12S+Tow+Bar+Wiring+Harness/id=1555
http://www.tridenttrailers.com/towbar_wiring_diagram.htm
En línea
maximo
Activos
Mensajes: 4161
Karma: +3/-0
Sexo:
Re: Proyecto: Batería Para Caravana (¿el Modelo Ideal Y Definitivo?)
«
Respuesta #32 en:
05-Abril-2011, 19:27:25 »
hola Lagarto Xixo, el problema es que si quieres cargar la batería de la caravana hay que hacerlo bien,si pones cables finos para cargar corres el riesgo de que se queme la instalacion de la piña,por necesitar mas sesión de cable
Las piñas de las caravanas lo mas que le puedes poner como mucho es cable de 2.5 milimetros, y yo prefiero llevar una clavija especial para la carga adicional.
Cuando lo monte ya veras como os gusta.
En línea
CITROEN GRANDC4 PICASSO 136CV TANGO 495 LU
"ME LA PELA TODO"
Anakin
Que me siga el que pueda!
Activos
Mensajes: 1902
Country:
Karma: +6/-0
Re: Proyecto: Batería Para Caravana (¿el Modelo Ideal Y Definitivo?)
«
Respuesta #33 en:
12-Agosto-2011, 08:45:32 »
http://www.furgovw.org/index.php?PHPSESSID=ba235890bf5c4a59ee35a3d69e2dfc7f&topic=16027.0
He visto este enlace y me parece muy interesante.
En esta web vienen muchos bricos para hacer la caravana mas autonoma.
En línea
Carpe diem!
Viva el foro.
Anakin
Que me siga el que pueda!
Activos
Mensajes: 1902
Country:
Karma: +6/-0
Re: Proyecto: Batería Para Caravana (¿el Modelo Ideal Y Definitivo?)
«
Respuesta #34 en:
18-Agosto-2011, 12:52:57 »
Lo que ya no se es si es necesario que el cable del alternador a la bateria auxiliar debe ser tan gordo. Creo que no, porque ¿tampoco hay tanto consumo no?
Otra opcion, que no se si se podra hacer es, tomar la alimentacion para la carga el del cable + directo, me explico.
Hay un cable gordo que va de la bateria principal al frigo, pues si de ese sacamos otro para la bateria auxiliar, ¿la cargaria?
Logicamante pondria un diodo en medio para evitar que la carga de la bateria auxiliar vaya para alimentar el frigo y lo que haga sea descargarla en lugar de cargarla.
En línea
Carpe diem!
Viva el foro.
Xavierete
Activos
Mensajes: 4077
Country:
Karma: +11/-1
Sexo:
Re: Proyecto: Batería Para Caravana (¿el Modelo Ideal Y Definitivo?)
«
Respuesta #35 en:
26-Noviembre-2011, 23:59:18 »
Este tema esta interesante. Y esta un poco abandonado!! Maximo has echo algo!!!
En línea
Roller Aloha 420F => Citroen C4 Coupe 1.6 HDI 110
Reformando Nuestra Roller Aloha 420F (CASI TERMINADA)
maximo
Activos
Mensajes: 4161
Karma: +3/-0
Sexo:
Re: Proyecto: Batería Para Caravana (¿el Modelo Ideal Y Definitivo?)
«
Respuesta #36 en:
27-Noviembre-2011, 00:26:22 »
[quote user="Xavierete" post="103885"]Este tema esta interesante. Y esta un poco abandonado!! Maximo has echo algo!!![/quote]
todavía no lo he terminao, a final de año los pongo todos, un saludo
En línea
CITROEN GRANDC4 PICASSO 136CV TANGO 495 LU
"ME LA PELA TODO"
Xavierete
Activos
Mensajes: 4077
Country:
Karma: +11/-1
Sexo:
Re: Proyecto: Batería Para Caravana (¿el Modelo Ideal Y Definitivo?)
«
Respuesta #37 en:
27-Noviembre-2011, 00:28:10 »
[quote user="maximo" post="103889"][quote user="Xavierete" post="103885"]Este tema esta interesante. Y esta un poco abandonado!! Maximo has echo algo!!![/quote]
todavía no lo he terminao, a final de año los pongo todos, un saludo[/quote]
Estare atento!!!!
En línea
Roller Aloha 420F => Citroen C4 Coupe 1.6 HDI 110
Reformando Nuestra Roller Aloha 420F (CASI TERMINADA)
aldai30
Usuarios
Mensajes: 8
Karma: +0/-0
Re: Proyecto: Batería Para Caravana (¿el Modelo Ideal Y Definitivo?)
«
Respuesta #38 en:
25-Enero-2012, 20:52:11 »
Hola eso es lo que hecho en falta de la caravana que sea autonoma pero no hay manera mas sencilla de hacer este tipo de instalación y luego el peso, ya que vamos todos tan justitos, no cogera demasiado peso???
En línea
Andoni
Xavierete
Activos
Mensajes: 4077
Country:
Karma: +11/-1
Sexo:
Re: Proyecto: Batería Para Caravana (¿el Modelo Ideal Y Definitivo?)
«
Respuesta #39 en:
06-Mayo-2012, 22:54:58 »
Maximo!!! Menos lamparitas del Ikea y mas este brico!!!!
En línea
Roller Aloha 420F => Citroen C4 Coupe 1.6 HDI 110
Reformando Nuestra Roller Aloha 420F (CASI TERMINADA)
maximo
Activos
Mensajes: 4161
Karma: +3/-0
Sexo:
Re: Proyecto: Batería Para Caravana (¿el Modelo Ideal Y Definitivo?)
«
Respuesta #40 en:
07-Mayo-2012, 08:33:56 »
xavi, asi lo tengo yo montado
En línea
CITROEN GRANDC4 PICASSO 136CV TANGO 495 LU
"ME LA PELA TODO"
maximo
Activos
Mensajes: 4161
Karma: +3/-0
Sexo:
Re: Proyecto: Batería Para Caravana (¿el Modelo Ideal Y Definitivo?)
«
Respuesta #41 en:
07-Mayo-2012, 08:45:54 »
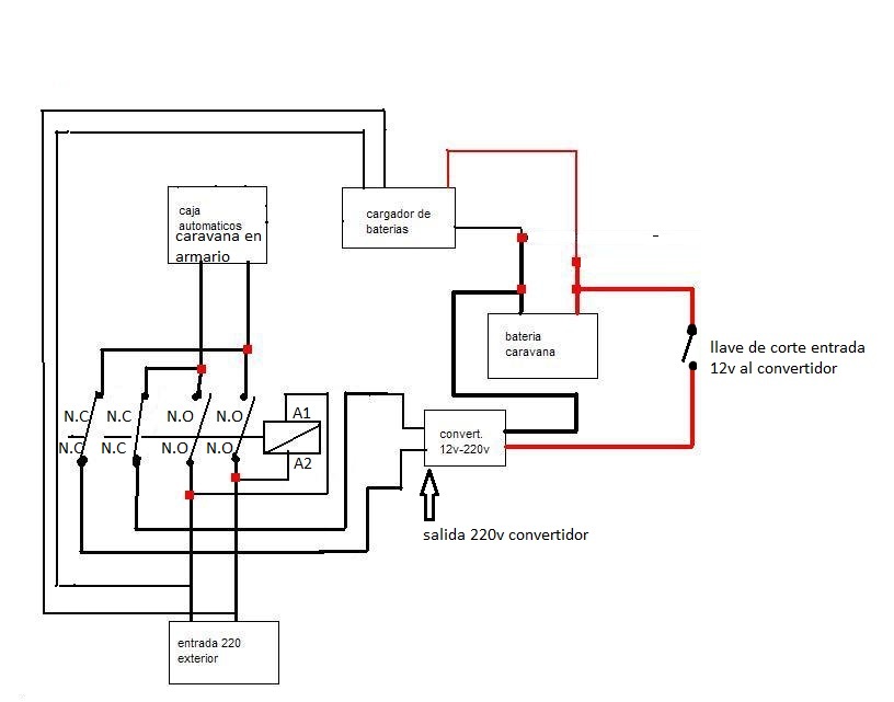
y cuando traigo los dos cables del coche a la segunda bateria(positivo y negativo),
e echo esto en la caravana para tener 220v en toda y tener autonomía
espero haberte aclarao las dudas..es mas sencillo de lo que parece
ahhh, es copiao de otros foreros que ya no estan....(gracias)
En línea
CITROEN GRANDC4 PICASSO 136CV TANGO 495 LU
"ME LA PELA TODO"
Lagarto Xixo
Lagarto lagarto
Administrator
Mensajes: 5385
Country:
Karma: +24/-1
Jose - Valencia Portofino_495 CP
Re: Proyecto: Batería Para Caravana (¿el Modelo Ideal Y Definitivo?)
«
Respuesta #42 en:
07-Mayo-2012, 09:02:18 »
Algo parecido a esto último es lo que llevo yo, gracias a Diego y también a Jose Luis, en un hilo de una
"Mini-instalación"
, yo no he probado a cargar la batería, yo siempre salgo con la batería cargada, pero sí lo he probado muchas veces llevando el frigo pequeño enchufado a 220, más otro frigo-arcón que consume parecido y después de seis horas de viaje, más media de parada, con coche parado, la batería ha sido capaz de tirar del mover sin ningún problema. Quiero decir que puede que no sea capaz de cargarla con la sección de cable que llevo (que no son 16mm2 ni mucho menos), pero suficiente para mantener la carga hasta destino.
En línea
maximo
Activos
Mensajes: 4161
Karma: +3/-0
Sexo:
Re: Proyecto: Batería Para Caravana (¿el Modelo Ideal Y Definitivo?)
«
Respuesta #43 en:
07-Mayo-2012, 09:27:43 »
[quote user="Lagarto Xixo" post="122692"]Algo parecido a esto último es lo que llevo yo, gracias a Diego y también a Jose Luis, en un hilo de una
"Mini-instalación"
, yo no he probado a cargar la batería, yo siempre salgo con la batería cargada, pero sí lo he probado muchas veces llevando el frigo pequeño enchufado a 220, más otro frigo-arcón que consume parecido y después de seis horas de viaje, más media de parada, con coche parado, la batería ha sido capaz de tirar del mover sin ningún problema. Quiero decir que puede que no sea capaz de cargarla con la sección de cable que llevo (que no son 16mm2 ni mucho menos), pero suficiente para mantener la carga hasta destino.[/quote]
jose luis, yo también lo llevo así y no he tenio problemas hasta ahora..
los cables que llevo hasta la segunda batería son de 6 milímetros y van bien, un saludo
En línea
CITROEN GRANDC4 PICASSO 136CV TANGO 495 LU
"ME LA PELA TODO"
Xavierete
Activos
Mensajes: 4077
Country:
Karma: +11/-1
Sexo:
Re: Proyecto: Batería Para Caravana (¿el Modelo Ideal Y Definitivo?)
«
Respuesta #44 en:
07-Mayo-2012, 10:38:03 »
Maximo no ibas a poner esto tu?????
[quote user="maximo" post="88307"]hola jose luis, espero que veas bien las fotos es la clavija con la que voy a darle carga a la bateria de la caravana un saludo y espero que os guste el aparatito
[/quote]
En línea
Roller Aloha 420F => Citroen C4 Coupe 1.6 HDI 110
Reformando Nuestra Roller Aloha 420F (CASI TERMINADA)
Imprimir
Páginas:
1
2
[
3
]
Ir Arriba
« anterior
próximo »
Club Sun Roller
»
Caravanas Sun Roller
»
Tutoriales, bricos y accesorios.
»
Proyecto: Batería Para Caravana (¿el Modelo Ideal Y Definitivo?)
Sitemap
This website uses cookies to give you the best browsing experience. By continuing to use this website without changing your cookies settings or click on the "Accept" button, you agree with the use of cookies.
Accept