* Registro Club Sun Roller

Autor Tema: Centralita Casera Para Instalación Autónoma  (Leído 5382 veces)

Desconectado Josefe17

  • Activos
  • **
  • Mensajes: 145
  • Karma: +2/-0
  • Sexo: Masculino
Centralita Casera Para Instalación Autónoma
« en: 04-Mayo-2012, 20:20:45 »
Aquí voy a explicar la centralita autónoma que construí para mi CV. La idea principal era alimentar el circuito de la bomba y el control de la nevera de forma autónoma con la batería del Mover permitiendo que fuese a gas (necesita 12 V para encender y mantener) Por ello decidí desarrollar esta centralita que me permitiese conectar la batería a la instalación de 12 V pero por circuitos: calentador frigo, alumbrado cocina y baño (plafones dobles) y la electrónica de nevera, bombas y demás. También lleva un relé que apaga la batería si hay corriente de 12 V del coche (piña conectada, no tengo señal de alternador) y si hay 220 V disponibles mediante un segundo transformador (cargador de móvil Nokia), permitiendo que en caso de apagón el sistema se restableciese. Incluye un medidor de batería que está aún por calibrar y los fusibles de protección así como interruptores para eliminar las prioridades y poder usar la batería aun con 220 V o la piña conectada. Luego, en la caja interior se hallan los conmutadores de selección para alumbrado y fuerza frigo entre 12 V de la piña o de la propia batería, siempre que esté disponible la corriente para ese circuito. Por otro lado, la conmutación para 12 V de electrónica es mediante relé, dando prioridad a los 12 V del coche sobre la batería. Estos se inyectan en la toma del trafo que venía como si fuese la corriente de la batería del Coche. La caja también incluye los interruptores de los ventiladores del frigo.
Aun así quiero volverlo a cambiar, ya que los conmutadores interiores se calientan. Voy a quitar el conmutador manual para la nevera (elemento calentador) y que un relé haga la conmutación , ya que apenas se va a usar a 12 V con la batería del mover, de tal modo que cuando hayan 12 V de la batería del la Cv disponibles para el frigo automáticamente conmute, ya que es algo que apenas se va a usar. Luego dejaría la conmutaciónde dentro para alumbrado y la del frigo pasaría a ser para tomas de mechero (la corriente en modo batería la cogería del interruptor rojo de electrónica). Luego, para electrónica mediante diodos se unirían las 3 fuentes de energía, ya que pretendo ampliar la fuente por una SMPS de 100-150 W, evitando que la fuente alimente lo que no debe. Haré lo mismo para el alumbrado y las tomas de mechero, para que funcionen con la fuente también, ya que quiero poner luces LED para que sea más autónoma. Lo que haré será poner la salida de la fuente unos milivoltios por encima de la salida de 12.7 de la batería, para que tome la corriente del trafo si hay 220 V. Adjunto el manual que escribí.

Josefe17

[archivo adjunto borrado por el administrador]
Sun Roller Jazz 49Cp + Hyundai Trajet. Aunque no sean míos pero como si lo fuesen.

Desconectado Xavierete

  • Activos
  • **
  • Mensajes: 4077
  • Country: es
  • Karma: +11/-1
  • Sexo: Masculino
Re: Centralita Casera Para Instalación Autónoma
« Respuesta #1 en: 04-Mayo-2012, 20:53:55 »
Me he leido lo del post y he mirado por encima el PDF (cuando tenga tiempo me lo leere detenidamente) Pero veo que no hay ningun esquema para el tema de electronica! Podrias ponerlos y tambien unas fotos de las cajas por dentro??
Yo tambien hare la caravana autonoma y seria interesante ver como va todo exactamente!


Gracias por compartirlo!!!

Roller Aloha 420F => Citroen C4 Coupe 1.6 HDI 110
Reformando Nuestra Roller Aloha 420F (CASI TERMINADA)

Desconectado Josefe17

  • Activos
  • **
  • Mensajes: 145
  • Karma: +2/-0
  • Sexo: Masculino
Re: Centralita Casera Para Instalación Autónoma
« Respuesta #2 en: 04-Mayo-2012, 22:04:33 »
Es que eso era un manual de uso. Esquema no tengo, pero ando detrás de la versión 1.1 y de esa creo que hay algo. Las fotos es más jodido, ya que no la tengo a mano, pero si voy en breve, las sacaré.
Sun Roller Jazz 49Cp + Hyundai Trajet. Aunque no sean míos pero como si lo fuesen.

Desconectado Xavierete

  • Activos
  • **
  • Mensajes: 4077
  • Country: es
  • Karma: +11/-1
  • Sexo: Masculino
Re: Centralita Casera Para Instalación Autónoma
« Respuesta #3 en: 04-Mayo-2012, 22:14:54 »
[quote user="Josefe17" post="122453"]Es que eso era un manual de uso. Esquema no tengo, pero ando detrás de la versión 1.1 y de esa creo que hay algo. Las fotos es más jodido, ya que no la tengo a mano, pero si voy en breve, las sacaré.[/quote]

Pues unos esquemas para copiarnos no estaria nada mal!!!! :mrgreen: Yo tambien yo un aficionado a la electronica y me gustaria echar un vistazo!!

Roller Aloha 420F => Citroen C4 Coupe 1.6 HDI 110
Reformando Nuestra Roller Aloha 420F (CASI TERMINADA)

Desconectado Josefe17

  • Activos
  • **
  • Mensajes: 145
  • Karma: +2/-0
  • Sexo: Masculino
Re: Centralita Casera Para Instalación Autónoma
« Respuesta #4 en: 04-Mayo-2012, 22:46:37 »
Este esquema es de lo que quiero hacer en breve, con la salvedad de emplear una fuente conmutada de 150W y eliminando la parte del alumbrado que no sería así (la "isla" de v1, luz y coche), así como un sistema de tomas de mechero. Otra cosa a replantear serían los fusibles por optmizarlos. Los diodos serían Schottky. Tambien incluyo una modificación d ela cisterna del WC para conectarla al agua pero lo dejo en pause hasta que pueda comprar online, ya que no encuentro la electroválvula barata a 12V.También con un relé de esos de 120 A apagar el Mover con un interruptor de llave y una toma de mechero para un taladro bajapatas.

Josefe17

[archivo adjunto borrado por el administrador]
Sun Roller Jazz 49Cp + Hyundai Trajet. Aunque no sean míos pero como si lo fuesen.

Desconectado Xavierete

  • Activos
  • **
  • Mensajes: 4077
  • Country: es
  • Karma: +11/-1
  • Sexo: Masculino
Re: Centralita Casera Para Instalación Autónoma
« Respuesta #5 en: 04-Mayo-2012, 22:57:37 »
Me lo tendre que estudiar!!!

Seguro que algo te pregunto!!

Roller Aloha 420F => Citroen C4 Coupe 1.6 HDI 110
Reformando Nuestra Roller Aloha 420F (CASI TERMINADA)

Desconectado akuunga

  • Activos
  • **
  • Mensajes: 4348
  • Country: 00
  • Karma: +1/-0
    • http://www.recortablemania.com
Re: Centralita Casera Para Instalación Autónoma
« Respuesta #6 en: 05-Mayo-2012, 23:49:39 »
Muy bueno Josefe17, yo también espero ese esquema electrónico (también soy del gremio  :wink: )

Gracias Fernando :up:
Llegados a este punto lo de menos son las caravanas...

Desconectado Josefe17

  • Activos
  • **
  • Mensajes: 145
  • Karma: +2/-0
  • Sexo: Masculino
Re: Centralita Casera Para Instalación Autónoma
« Respuesta #7 en: 06-Mayo-2012, 00:23:59 »
Pues yo creo que me quedo un poco más dibujando y lo subo.
Sun Roller Jazz 49Cp + Hyundai Trajet. Aunque no sean míos pero como si lo fuesen.

Desconectado akuunga

  • Activos
  • **
  • Mensajes: 4348
  • Country: 00
  • Karma: +1/-0
    • http://www.recortablemania.com
Re: Centralita Casera Para Instalación Autónoma
« Respuesta #8 en: 06-Mayo-2012, 00:31:47 »
[quote user="Josefe17" post="122501"]Pues yo creo que me quedo un poco más dibujando y lo subo.[/quote]

No tengas prisa hombre, que es muy tarde. Déjalo para mañana!

Gracias Fernando :up:
Llegados a este punto lo de menos son las caravanas...

Desconectado Xavierete

  • Activos
  • **
  • Mensajes: 4077
  • Country: es
  • Karma: +11/-1
  • Sexo: Masculino
Re: Centralita Casera Para Instalación Autónoma
« Respuesta #9 en: 06-Mayo-2012, 00:34:45 »
Yo hace poco me leido el manual y he estado mirando el esquema y es un poco lioso. A ver si lo imprimio y algo te preguntare.

Roller Aloha 420F => Citroen C4 Coupe 1.6 HDI 110
Reformando Nuestra Roller Aloha 420F (CASI TERMINADA)

Desconectado Josefe17

  • Activos
  • **
  • Mensajes: 145
  • Karma: +2/-0
  • Sexo: Masculino
Re: Centralita Casera Para Instalación Autónoma
« Respuesta #10 en: 06-Mayo-2012, 01:21:06 »
2.20 y acabado. Ya #OFF
Sun Roller Jazz 49Cp + Hyundai Trajet. Aunque no sean míos pero como si lo fuesen.

Desconectado Josefe17

  • Activos
  • **
  • Mensajes: 145
  • Karma: +2/-0
  • Sexo: Masculino
Re: Centralita Casera Para Instalación Autónoma
« Respuesta #11 en: 06-Mayo-2012, 12:33:17 »
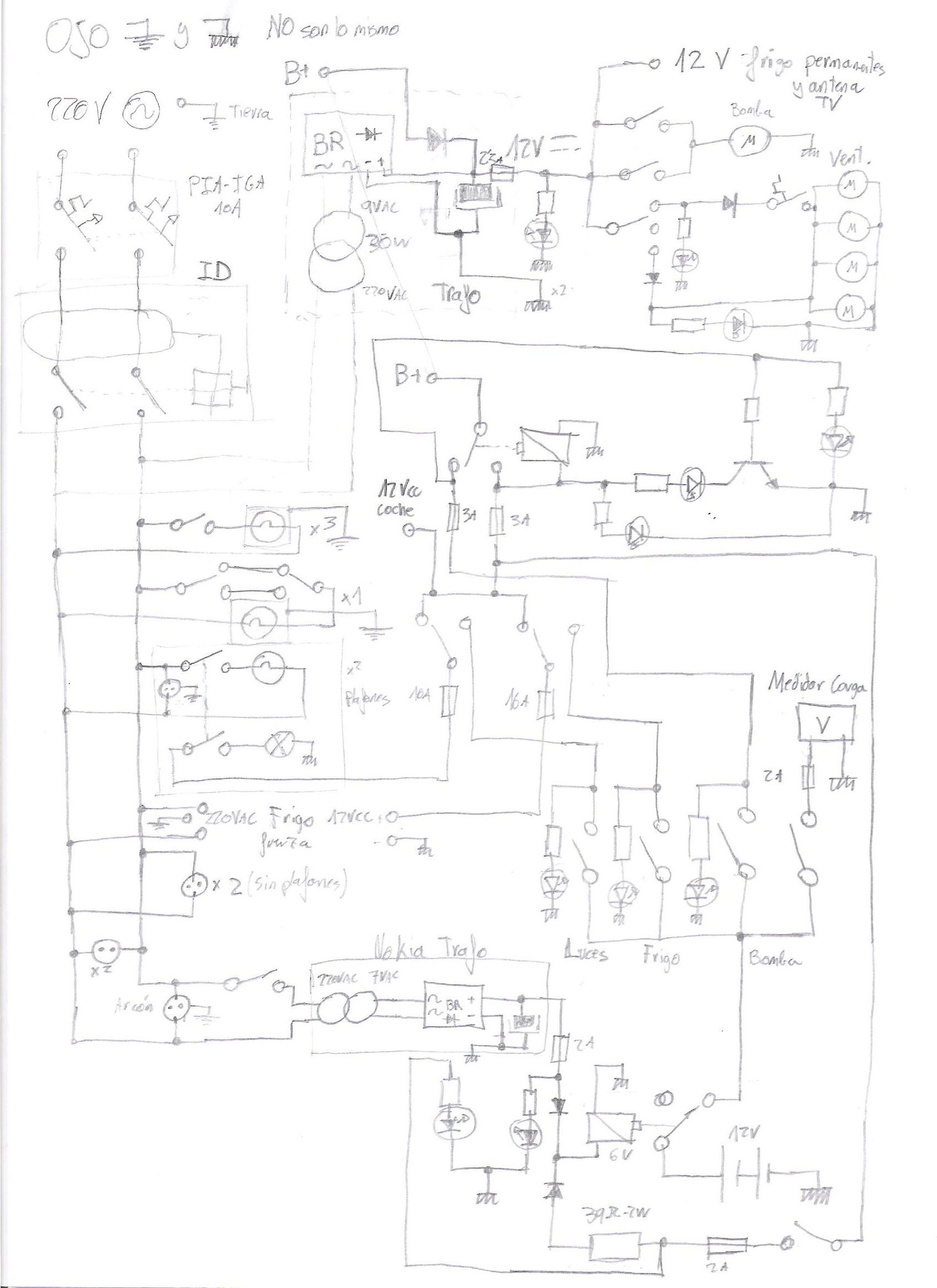
Ya lo tengo, lo subo.



Esto es lo que tengo, tal y como está, lo único que falta es el esquema del medidor.

[archivo adjunto borrado por el administrador]
Sun Roller Jazz 49Cp + Hyundai Trajet. Aunque no sean míos pero como si lo fuesen.

Desconectado Josefe17

  • Activos
  • **
  • Mensajes: 145
  • Karma: +2/-0
  • Sexo: Masculino
Re: Centralita Casera Para Instalación Autónoma
« Respuesta #12 en: 06-Mayo-2012, 12:34:27 »
El transistor es un NPN de uso general (BC546 o BC239)
Sun Roller Jazz 49Cp + Hyundai Trajet. Aunque no sean míos pero como si lo fuesen.

Desconectado Xavierete

  • Activos
  • **
  • Mensajes: 4077
  • Country: es
  • Karma: +11/-1
  • Sexo: Masculino
Re: Centralita Casera Para Instalación Autónoma
« Respuesta #13 en: 06-Mayo-2012, 15:08:52 »
Cuando este en mi casa lo imprimera para verlo mejor!!

Roller Aloha 420F => Citroen C4 Coupe 1.6 HDI 110
Reformando Nuestra Roller Aloha 420F (CASI TERMINADA)

Desconectado Josefe17

  • Activos
  • **
  • Mensajes: 145
  • Karma: +2/-0
  • Sexo: Masculino
Re: Centralita Casera Para Instalación Autónoma
« Respuesta #14 en: 11-Mayo-2012, 17:38:18 »
Me acabo de dar cuenta que fui ayer a comprar los Schottky de bloqueo para los circuitos de electrónica, luces y mecheros y compré 5 en vez de 7, ¡no sé donde tengo la cabeza! y tan confiado que eran 5
Sun Roller Jazz 49Cp + Hyundai Trajet. Aunque no sean míos pero como si lo fuesen.